JSR-MCS006系列微型帽式滑環
Model

Selection
| 產品等級代號 | 最高轉速 | 工作壽命 | 接觸材料 | 
| TY(通用級) | 250RPM | 2000萬轉 | 貴金屬 | 
| GY(工業級) | 600RPM | 6000萬轉 | 鍍金-鍍金 | 
| GD(高端級) | 1000RPM | 1.5億轉 | 金合金 | 
parameter
| 技術規格參數 | |||
| 電氣技術參數 | |||
| 電氣參數 | 信號參數 | ||
| 參數 | 數值 | 參數 | 數值 | 
| 額定電壓 | 0-220VAC/VDC | 額定電壓 | 0-220VAC/VDC | 
| 絕緣電阻 | ≥300MΩ/300VDC | 絕緣電阻 | ≥300MΩ/300VDC | 
| 導線規格 | AWG16#鍍錫鐵氟龍 | 導線規格 | AWG22鍍錫鐵氟龍 | 
| 額定電流 | 每路任意電流可選 | ||
| 電氣噪音 | 10mΩ@6VDC,50mA,5Rpm | ||
| 動態電阻變化 | <0.01Ω | ||
| 機械技術參數 | |||
| 機械性能 | 環境性能 | ||
| 參數 | 數值 | 參數 | 數值 | 
| 工作壽命 | >5000萬轉 | 工作溫度 | -30C°-80C° | 
| 額定轉速 | 300MRP(可定制) | 工作濕度 | 0-85%RH | 
| 接觸材料 | 貴金屬(可定制) | 機械振動 | MIL-SID-810E | 
| 殼體材料 | ABS塑料(可選金屬殼體) | 防護等級 | IP51(可選IP65、IP68) | 
| 轉動扭矩 | 0.1N.M;+0.03N.M/路 | ||
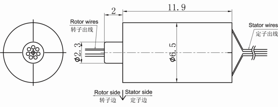
Drawing

Selection
| 常規產品選型表 | |||
| JSR-MCS006系列帽式滑環部分規格選型表 | |||
| 型號 | 信號或2A | 5A | 總路數 | 
| JSR-MCS006-2S | 2 | 0 | 2 | 
| JSR-MCS006-4S | 4 | 0 | 4 | 
| JSR-MCS006-6S | 6 | 0 | 6 | 
| JSR-MCS006-8S | 8 | 0 | 8 | 
| JSR-MCS006-12S | 12 | 0 | 12 | 
Color code table
| 環道 | 顏色 | 環道 | 顏色 | 
| 1 | 黑 | 7 | 紫 | 
| 2 | 紅 | 8 | 灰 | 
| 3 | 黃 | 9 | 橙 | 
| 4 | 綠 | 10 | 棕 | 
| 5 | 藍 | 11 | 透明 | 
| 6 | 白 | 12 | 淺綠 | 
| (注:12個顏色為一組,分別序號1...12, 下一組重復前12個顏色, 每組用號碼管作為組序號標識。) | |||
Installation

Optional
注:以下特別要求均可定制,交期會增加3~15天不等,費用增加5%~50%不等,本公司大部分基礎配件都有標準化,模塊化,非標定制也可大大減少成本和交期。
① 可定制轉子和定子的出線方式及出線長度。
② 由于結構的限制,可按照指定長度或者高度或者外徑定制。
③ 最大可支持200路功率電流或者信號。
④ 可選航空插頭,端子和熱縮管。
⑤ 安川,松下,西門子等伺服系統信號,功率線以及編碼器線混合滑環。
⑥ 可混合高速率數據傳輸(包括以太網,USB, Profibus,ProfiNET, EtherCAT,CANOPEN, CANBUS,CC-LINK, RS232,RS485等各類工業總線)。
⑦ 溫控信號,熱電偶信號混合。
⑧ 防震,高溫等特殊環境定制。
⑨ 可與氣壓、液壓旋轉接頭混合一體氣電液滑環。
⑩ 可定制頻率高低,接頭類型。
? 可定制高頻功率。
? 可根據要求定制通道數。
? 電流最大可到5000安培(A)。
? 高端級別。
? 防水,水下模式可選,IP65,IP68 可選。 
? 不銹鋼殼體要求。
Range
無人駕駛飛機簡稱“無人機”(“UAV”),是利用無線電遙控設備和自備的程序控制裝置操縱的不載人飛行器。無人機實際上是無人駕駛飛行器的統稱,從技術角度定義可以分為:無人固定翼飛機、無人垂直起降飛機  、無人飛艇、無人直升機、無人多旋翼飛行器、無人傘翼機等。目前所有的無人機都具備360無死角拍攝的作用,帽式滑環就是連接無人機攝像頭和控制主板的核心部件,所以帽式滑環是所有無人機必不可少的零部件,得到了快速的發
高速球攝像機是一種智能化攝像機前端,全名叫智能高速球型攝像機,簡稱高速球。高速球是監控系統最復雜和綜合表現效果最好的攝像機前端,制造雜、價格昂貴,能夠適應高密度、最復雜的監控場合。高速球機要不停的旋轉才能滿足監控全局的大任,為了避免旋轉過程中出現繞線的問題,所有的高速球機都會配備帽式導電滑環,嘉馳導電滑環為很多高速球機的廠家定制帽式導電滑環。
釣魚是捕捉魚類的一種方法。釣魚的主要工具有釣桿、魚餌。釣桿一般由竹子或塑料輕而有力的桿狀物質制成,釣桿和魚餌用絲線聯接。現在釣魚成了很多人消磨時間的一種娛樂方式。釣魚對漁具的要求很高,再好的技術沒有好的漁具也釣不到大魚,目前市面上的可視魚瞄很受世人的喜歡,微型帽式滑環就是可視魚瞄能做到查看水中情況的關鍵零部件。
華為、富士康等500強企業客戶長期信賴
product
news
 
 
                    
