JSR-TB025F系列工業總線滑環
 
             
       
             
            JSR-TB025F系列高速率工業總線導電滑環。外徑78毫米,主要給高速率數據和無錯傳輸協議而設計,嘉馳機電的工業總線滑環擁有獨立的設計發明專利,Profibus, CanBUS, CANOPEN, DeviceNET, CC-LINK, ProfiNET,保證100%不丟包,不報警,通信實時性保證精確無誤。接觸部分采用稀有金屬+鍍硬金處理工藝,保證耐磨和抗氧化,從而保證了超長的使用壽命,能同時保證氣路,電路,信號路及總線信號不間斷連續傳輸,產品設計尖端,加工精密,品質有保障。
MODEL

SELECTION
| 產品等級代號 | 最高轉速 | 工作壽命 | 接觸材料 | 
| TY(通用級) | 250RPM | 2000萬轉 | 貴金屬 | 
| GY(工業級) | 600RPM | 6000萬轉 | 鍍金-鍍金 | 
| GD(高端級) | 1000RPM | 1.5億轉 | 金合金 | 
PARAMETER
| 電氣技術參數 | |||
| 電氣參數 | 信號參數 | ||
| 參數 | 數值 | 參數 | 數值 | 
| 額定電壓 | 0-380VAC/VDC | 額定電壓 | 0-380VAC/VDC | 
| 絕緣電阻 | ≥1000MΩ/500VDC | 絕緣電阻 | ≥500MΩ/500VDC | 
| 導線規格 | AWG16#鍍錫鐵氟龍 | 導線規格 | AWG22鍍錫鐵氟龍 | 
| 額定電流 | 每路任意電流可選 | ||
| 電氣噪音 | 10mΩ@6VDC,50mA,5Rpm | ||
| 動態電阻變化 | <0.01Ω | ||
| 機械技術參數 | |||
| 機械性能 | 環境性能 | ||
| 參數 | 數值 | 參數 | 數值 | 
| 工作壽命 | >5000萬轉 | 工作溫度 | -30C°-80C° | 
| 額定轉速 | 300MRP(可定制) | 工作濕度 | 0-85%RH | 
| 接觸材料 | 貴金屬(可定制) | 機械振動 | MIL-SID-810E | 
| 殼體材料 | 鋁合金(陽極氧化處理) | 防護等級 | IP51(可選IP65、IP68) | 
| 轉動扭矩 | 0.1N.M;+0.03N.M/路 | ||
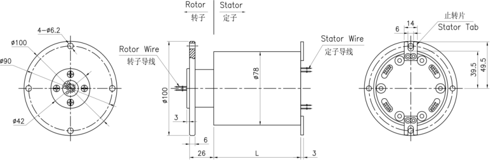
DRAWING

SELECTION
| 常規產品選型表 | |||||
| TB025F工業總線滑環系列選型表 | |||||
| 型號 | 10A | 信號或5A | 總線數量 | 總線類型 | 長度 L(MM) | 
| JSR-TB025F-1P | 0 | 0 | 1 | PROFIBUS總線 | 54.8 | 
| JSR-TB025F-1E | 0 | 0 | 1 | ETHERCAT總線 | 54.8 | 
| JSR-TB025F-1C | 0 | 0 | 1 | CANBUS總線 | 54.8 | 
| JSR-TB025F-1N | 0 | 0 | 1 | CANOPEN總線 | 54.8 | 
| JSR-TB025F-1D | 0 | 0 | 1 | DEVICENET總線 | 54.8 | 
| JSR-TB025F-1K | 0 | 0 | 1 | CC-LINK總線 | 54.8 | 
| JSR-TB025F-1F | 0 | 0 | 1 | PROFINET總線 | 54.8 | 
| JSR-TB025F-6P10-6S-1P | 6 | 6 | 1 | PROFIBUS總線 | 71.5 | 
| JSR-TB025F-6P10-6S-1E | 6 | 6 | 1 | ETHERCAT總線 | 71.5 | 
| JSR-TB025F-6P10-6S-1C | 6 | 6 | 1 | CANBUS總線 | 71.5 | 
| JSR-TB025F-6P10-6S-1N | 6 | 6 | 1 | CANOPEN總線 | 71.5 | 
| JSR-TB025F-6P10-6S-1D | 6 | 6 | 1 | DEVICENET總線 | 71.5 | 
| JSR-TB025F-6P10-6S-1K | 6 | 6 | 1 | CC-LINK總線 | 71.5 | 
| JSR-TB025F-6P10-6S-1F | 6 | 6 | 1 | PROFINET總線 | 71.5 | 
| 注:N個5A 電流環并起來可作為1路N*5A電流環使用;比如: 2環5A 并起來做作為 1路10A 使用。以上型號為此規格的部分型號,如需其他規格請聯系技術:13714251726 易先生 | |||||
COLOR CODE TABLE
| 環道 | 顏色 | 環道 | 顏色 | 
| 1 | 黑 | 7 | 紫 | 
| 2 | 紅 | 8 | 灰 | 
| 3 | 黃 | 9 | 橙 | 
| 4 | 綠 | 10 | 棕 | 
| 5 | 藍 | 11 | 透明 | 
| 6 | 白 | 12 | 淺綠 | 
| (注:12個顏色為一組,分別序號1...12, 下一組重復前12個顏色, 每組用號碼管作為組序號標識。) | |||
INSTALLATION

OPTIONAL
注:以下特別要求均可定制,交期會增加3~15天不等,費用增加5%~50%不等,本公司大部分基礎配件都有標準化,模塊化,非標定制也可大大減少成本和交期。
① 可定制轉子和定子的出線方式及出線長度。
② 由于結構的限制,可按照指定長度或者高度或者外徑定制。
③ 最大可支持200路功率電流或者信號。
④ 可選航空插頭,端子和熱縮管。
⑤ 安川,松下,西門子等伺服系統信號,功率線以及編碼器線混合滑環。
⑥ 可混合高速率數據傳輸(包括以太網,USB, Profibus,ProfiNET, EtherCAT,CANOPEN, CANBUS,CC-LINK, RS232,RS485等各類工業總線)。
⑦ 溫控信號,熱電偶信號混合。
⑧ 防震,高溫等特殊環境定制。
⑨ 可與氣壓、液壓旋轉接頭混合一體氣電液滑環。
⑩ 可定制頻率高低,接頭類型。
? 可定制高頻功率。
? 可根據要求定制通道數。
? 電流最大可到5000安培(A)。
? 高端級別。
? 防水,水下模式可選,IP65,IP68 可選。 
? 不銹鋼殼體要求。
RANGE
水泥生產過程中,自動控制起著非常重要的作用,特別是現代新型水泥生產線工藝復雜,生產連續性強,只有通過自動化控制系統實時監控設備的運行狀況,才能有效地保證整個系統的高效運轉??偩€技術與DCS系統和PLC控制有機的結合起來,充分發揮現場總線數字化、智能化、開放性好、可以高度分散控制,嘉馳機電的TB工業總線滑環就是專門為專門現代化總線設備研發生產的,他具有100%不丟包,不報警,通信實時性保證精確無誤等一系了的優點。
隨著汽車工業的發展,汽車車身焊裝生產線也逐漸向全自動化方向發展。將現代化的管理手段與先進的信息技術應用于焊裝生產線,對企業的管理和決策有著非常重要的意義。Profibus,ProfiNET, EtherCAT,CANOPEN, CANBUS,CC-LINK, RS232,RS485等各類工業總線組成了全自動化汽車焊接產線的傳輸脈絡,嘉馳機電針對不同的工業總線設計研發了不同的工業總線滑環,這一系列的工業總線滑環采用特殊工藝的復合鍍層工藝,保證滑環接觸的長期可靠性,保證不丟包不報警,不延時等一系列的優點。
現在的鋼管冷軋機大部分采用PLC與變頻器的控制方式主 要有I/O控制和通信控制,而通信控制目前主要是采用現場總線技術,目前很多公司的冷軋橋式起重機的電氣部分采用了ABB公司的ACS800變頻器調 速系統,邏輯控制部分采用了西門子公司的S7-300PLC現場總線技術.嘉馳機電的TB總線滑環系列就被應用在了鋼管冷軋機上面,可以保證冷軋機在旋轉工作的同時保證各種控制信號的正常傳輸,從而保障整個機器的正常運轉。
華為、富士康等500強企業客戶長期信賴
product
news
 
 
                    