JSR-MFV06系列多路電液滑環
 
             
       
             
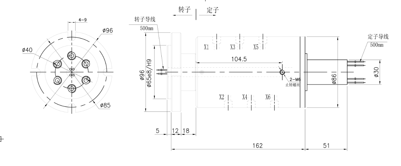
            產品簡介:嘉馳機電的JSR-MFV06系列電液滑環,是一款6進6出的電液一體滑環,采用的是側面進液體端面出液體的旋轉方案,可360度旋轉傳輸水、油、酒精等多種液體介質。支持4mm、6mm、8mm、12mm、16mm等多種規格的氣管,氣管接頭有M5、1/8、1/4、3/8、1/2等多種規格可選。JSR-MFV06系列電液滑環不僅可以傳輸液體,還可以混合傳輸2A~800A各種電流;,;可以混合功率動力線、信號線、以太網、工業總線、控制線、電磁閥、感應線等;能解決各種設備在旋轉中存在的繞線現象,保證各種傳輸介質在不間斷旋轉的情況下穩定傳輸。
MODEL

PARAMETER
| 技術規格參數 | |||||
| 旋轉接頭技術參數 | |||||
| 參數 | 數值 | 參數 | 數值 | ||
| 通道數 | 6進6出 | 氣管大小 | 可根據需求定制 | ||
| 接頭規格 | M5、G1/8"、G1/4"、G3/8"、G1/2"可選 | 最大壓力 | 10MPa(可定制高壓),真空0.01torr | ||
| 電氣技術參數 | |||||
| 電氣參數 | 信號參數 | 數值 | |||
| 參數 | 數值 | 參數 | 數值 | ||
| 額定電壓 | 0-440VAC/VDC | 額定電壓 | 0-440VAC/VDC | ||
| 絕緣電阻 | ≥1000MΩ/500VDC | 絕緣電阻 | ≥1000MΩ/500VDC | ||
| 導線規格 | AWG16#鍍錫鐵氟龍 | 導線規格 | AWG22鍍錫鐵氟龍 | ||
| 額定電流 | 每路任意電流可選 | ||||
| 電氣噪音 | 10mΩ@6VDC,50mA,5Rpm | ||||
| 動態電阻變化 | <0.01Ω | ||||
| 機械技術參數 | |||||
| 機械性能 | 環境性能 | ||||
| 參數 | 數值 | 參數 | 數值 | ||
| 工作壽命 | >5000萬轉 | 工作溫度 | -30C°-80C° | ||
| 額定轉速 | 300MRP(可定制) | 工作濕度 | 0-85%RH | ||
| 接觸材料 | 貴金屬(可定制) | 機械振動 | MIL-SID-810E | ||
| 殼體材料 | 鋁合金(表面硬質氧化處理) | 防護等級 | IP51(可選IP65、IP68) | ||
| 轉動扭矩 | 0.1N.M;+0.03N.M/路 | ||||
DRAWING
以下圖紙僅為部分圖紙,如需其他型號規格的圖紙請聯系在線客服,或者直接撥打電話 13714251726 易先生,與我們技術直接溝通


SELECTION
| 常規產品選型表 | |||||
| JSR-MFV06XX系列電液滑環選型表 | |||||
| 型號 | 氣體通道 | 接口尺寸 | 可適應氣管 | 10A | 信號(5A) | 
| MFV06XX-6P10 | 6 | M5、G1/8"、G1/4"、G3/8"、G1/2"可選 | 4MM、6MM、8MM、10MM、12MM、14MM可選 | 6 | 0 | 
| MFV06XX-6S | 6 | M5、G1/8"、G1/4"、G3/8"、G1/2"可選 | 4MM、6MM、8MM、10MM、12MM、14MM可選 | 0 | 6 | 
| MFV06XX-12P10 | 6 | M5、G1/8"、G1/4"、G3/8"、G1/2"可選 | 4MM、6MM、8MM、10MM、12MM、14MM可選 | 12 | 0 | 
| MFV06XX-6P10-6S | 6 | M5、G1/8"、G1/4"、G3/8"、G1/2"可選 | 4MM、6MM、8MM、10MM、12MM、14MM可選 | 6 | 6 | 
| MFV06XX-12S | 6 | M5、G1/8"、G1/4"、G3/8"、G1/2"可選 | 4MM、6MM、8MM、10MM、12MM、14MM可選 | 0 | 12 | 
| MFV06XX-18P10 | 6 | M5、G1/8"、G1/4"、G3/8"、G1/2"可選 | 4MM、6MM、8MM、10MM、12MM、14MM可選 | 18 | 0 | 
| MFV06XX-6P10-12S | 6 | M5、G1/8"、G1/4"、G3/8"、G1/2"可選 | 4MM、6MM、8MM、10MM、12MM、14MM可選 | 6 | 12 | 
| MFV06XX-12P10-6S | 6 | M5、G1/8"、G1/4"、G3/8"、G1/2"可選 | 4MM、6MM、8MM、10MM、12MM、14MM可選 | 12 | 6 | 
| MFV06XX-18S | 6 | M5、G1/8"、G1/4"、G3/8"、G1/2"可選 | 4MM、6MM、8MM、10MM、12MM、14MM可選 | 0 | 18 | 
| MFV06XX-S24 | 6 | M5、G1/8"、G1/4"、G3/8"、G1/2"可選 | 4MM、6MM、8MM、10MM、12MM、14MM可選 | 0 | 24 | 
| MFV06XX-6P10-18S | 6 | M5、G1/8"、G1/4"、G3/8"、G1/2"可選 | 4MM、6MM、8MM、10MM、12MM、14MM可選 | 6 | 18 | 
| MFV06XX-30S | 6 | M5、G1/8"、G1/4"、G3/8"、G1/2"可選 | 4MM、6MM、8MM、10MM、12MM、14MM可選 | 0 | 30 | 
| MFV06XX-36S | 6 | M5、G1/8"、G1/4"、G3/8"、G1/2"可選 | 4MM、6MM、8MM、10MM、12MM、14MM可選 | 0 | 36 | 
| 注:N個5A 電流環并起來可作為1路N*5A電流環使用;比如: 2環5A 并起來做作為 1路10A 使用。以上型號為此規格的部分型號,如需其他規格請聯系技術:13714251726 易先生 | |||||
COLOR CODE TABLE
| 環道 | 顏色 | 環道 | 顏色 | 
| 1 | 黑 | 7 | 紫 | 
| 2 | 紅 | 8 | 灰 | 
| 3 | 黃 | 9 | 橙 | 
| 4 | 綠 | 10 | 棕 | 
| 5 | 藍 | 11 | 透明 | 
| 6 | 白 | 12 | 淺綠 | 
| (注:12個顏色為一組,分別序號1...12, 下一組重復前12個顏色, 每組用號碼管作為組序號標識。) | |||
OPTIONAL
注:以下特別要求均可定制,交期會增加3~15天不等,費用增加5%~50%不等,本公司大部分基礎配件都有標準化,模塊化,非標定制也可大大減少成本和交期。
① 可定制轉子和定子的出線方式及出線長度。
② 由于結構的限制,可按照指定長度或者高度或者外徑定制。
③ 最大可支持200路功率電流或者信號。
④ 可選航空插頭,端子和熱縮管。
⑤ 安川,松下,西門子等伺服系統信號,功率線以及編碼器線混合滑環。
⑥ 可混合高速率數據傳輸(包括以太網,USB, Profibus,ProfiNET, EtherCAT,CANOPEN, CANBUS,CC-LINK, RS232,RS485等各類工業總線)。
⑦ 溫控信號,熱電偶信號混合。
⑧ 防震,高溫等特殊環境定制。
⑨ 可與氣壓、液壓旋轉接頭混合一體氣電液滑環。
⑩ 可定制頻率高低,接頭類型。
? 可定制高頻功率。
? 可根據要求定制通道數。
? 電流最大可到5000安培(A)。
? 高端級別。
? 防水,水下模式可選,IP65,IP68 可選。 
? 不銹鋼殼體要求。
RANGE
非標自動化設備定義就是用戶定制的、用戶唯一的、非市場流通的自動化系統集成設備,是采用按照國家頒布的統一的行業標準和規格制造的單元設備組裝而成,是根據客戶的用途需要,開發設計制造的設備。現下大部分的設備都離不開對氣電的要求,所以氣電滑環應行業的需求誕生了,氣電滑環是可以保證設備在360度旋轉的同時傳輸氣和電流、信號等一切介質的核心部件。嘉馳機電出品的氣電滑環被廣泛的應用在非標自動化設備上面,得到了眾多設備生產廠家以及使用客戶的認可。
氣電旋轉平臺被很多自動化設備所采用,這樣的方式大大的減小了設備的體積,降低了設備的成本。氣電旋轉工作臺之所以能在不斷旋轉的同時做過各種動作都是因為有氣電滑環的支持,氣電滑環可以保證設備在不間斷旋轉的同時傳輸各種控制信號和工作臺旋轉時所需要的氣壓。嘉馳機電專業研發生產氣電滑環13年,公司所產的氣電滑環廣銷海外100多個國家,等到了眾多新老客戶的認可,嘉馳機電歡迎新老客戶來廠參觀指導。
自動化生產線是指由自動化機器體系實現產品工藝過程的一種生產組織形式。它是在連續流水線的進一步發展的基礎上形成的,現代自動化產線就是人類進入氣電時代的巔峰之作。自動化產線的發展同時促進了導電滑環行業的發展,應設備的需要氣電滑環、電液滑環、光電滑環等一系列的混合滑環應運而生,尤其是氣電滑環更是成為了自動化生產線中不可缺少的零部件,氣電滑環能解決設備在旋轉工作是產生的繞線問題,大大的提高了產線的工作效率,避免了產線會因設備繞線停產的可能。
華為、富士康等500強企業客戶長期信賴
product
news
 
 
                    