JSR-HF01-SMK-40高頻滑環
MODEL

PARAMETER
| 技術規格參數 | |||
| 電氣指標 | |||
| 頻率范圍 | DC-18GHz | 相位波動,Max | 1.0° | 
| 電壓駐波比,Max | 1.5 | 駐波精度 | 0.05 | 
| 插入損耗,Max | 0.3dB | 插入損耗精度 | 0.05dB | 
| 峰值功率,Max | 1000W | 平均功率,Max | 100W | 
| 機械指標 | |||
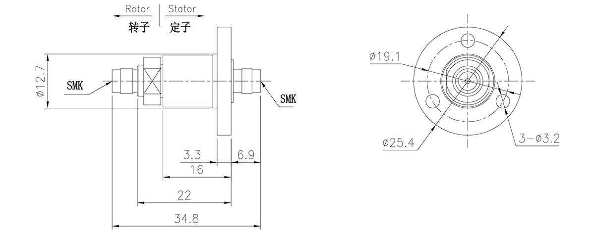
| 接口類型 | SMA Female(50Ω) | 機構類型 | I型 | 
| 材質 | 外導體:不銹鋼、鋁合金 | 表面處理 | 外導體:鈍化、陽極氧化 | 
| 內導體:鈹青銅 | 內導體:鍍金 | ||
| 啟動力矩,Max | 0.05牛.米@20℃ | 持續旋轉力矩,Max | 0.05牛.米@20℃ | 
| IP防護等級 | IP50 | 重量 | 0.1KG | 
| 轉速 | 100rmp | 界面尺寸 | 符合GJB52446 | 
| 環境適應性 | |||
| 工作溫度 | -55℃ - 85℃ | 相對濕度,Max | 95%(40℃±5℃) | 
| 壽命 | 100萬轉 | ||
DRAWING

OPTIONAL
注:以下特別要求均可定制,交期會增加3~15天不等,費用增加5%~50%不等,本公司大部分基礎配件都有標準化,模塊化,非標定制也可大大減少成本和交期。
① 可定制轉子和定子的出線方式及出線長度。
② 由于結構的限制,可按照指定長度或者高度或者外徑定制。
③ 最大可支持200路功率電流或者信號。
④ 可選航空插頭,端子和熱縮管。
⑤ 安川,松下,西門子等伺服系統信號,功率線以及編碼器線混合滑環。
⑥ 可混合高速率數據傳輸(包括以太網,USB, Profibus,ProfiNET, EtherCAT,CANOPEN, CANBUS,CC-LINK, RS232,RS485等各類工業總線)。
⑦ 溫控信號,熱電偶信號混合。
⑧ 防震,高溫等特殊環境定制。
⑨ 可與氣壓、液壓旋轉接頭混合一體氣電液滑環。
⑩ 可定制頻率高低,接頭類型。
? 可定制高頻功率。
? 可根據要求定制通道數。
? 電流最大可到5000安培(A)。
? 軍工級別。
? 防水,水下模式可選,IP65,IP68 可選。 ? 不銹鋼殼體要求。
RANGE
雷達,是英文Radar的音譯,源于radio detection and ranging的縮寫,意思為"無線電探測和測距",即用無線電的方法發現目標并測定它們的空間位置。因此,雷達也被稱為“無線電定位”。雷達是利用電磁波探測目標的電子設備。現代的預警雷達、搜索警戒雷達、引導指揮雷達、炮瞄雷達還是其他系列的雷達大多都需要不停的旋轉搜索目標定位目標,雷達能正常的公司有光纖滑環很大一部分功勞,光纖滑環能保證雷達在360度不停旋轉的同時正常的傳輸各種電磁信號,使雷達能快速精準的探索、定位、打擊目標。嘉馳機電的光纖滑環因其高效的傳輸速率被廣泛的應用于各種雷達上面,深受新老客戶的信賴。

通過對光學經緯儀電氣化改造,使之在捕捉目標圖像的同時,能夠實時記錄精確的測角信息,并能通過事后目標圖像的判讀處理,得出目標精確的中軸偏移量,疊加得出更為精確的測角值。光電經緯儀通過光學成像將信號傳輸給計算機,從而達到精確的定位和捕捉目標的圖像。現代的光電經緯儀為了能更快的捕捉到目標,需要快速的旋轉,而且在旋轉的同時還有將捕捉到的畫面信號傳輸給計算機,所以在這里光纖滑環就起到了很重要的作用。
火控系統是安裝在飛機、裝甲車、軍艦等平臺的設備,又稱武器火控系統,全稱火力指揮與控制工程,是控制射擊武器自動實施瞄準與發射的裝備的總稱。現代火控系統離不開計算機的精確計算和快速的瞄準,為了能高效準確的鎖定目標并實施打擊,所有的火控系統都配備了高品質的光纖滑環,高品質的光纖滑環可以保證火控系統在高速捕捉目標的同時進行精確的打擊,嘉馳所生產的光纖滑環能達到軍用標準,多次被應用在各種武器的貨款系統中,并且經歷了中東、非洲等戰亂國家的戰火洗禮,收到了廣大客戶的認可和信賴。
華為、富士康等500強企業客戶長期信賴
product
news
 
 
                    
