JSR-FS038 定子法蘭導電滑環
Model

Selection
| 產品等級代號 | 最高轉速 | 工作壽命 | 接觸材料 | 
| TY(通用級) | 250RPM | 2000萬轉 | 貴金屬 | 
| GY(工業級) | 600RPM | 6000萬轉 | 鍍金-鍍金 | 
| GD(高端級) | 1000RPM | 1.5億轉 | 金合金 | 
parameter
| 電氣技術參數 | |||
| 電氣參數 | 信號參數 | ||
| 參數 | 數值 | 參數 | 數值 | 
| 額定電壓 | 0-380VAC/VDC | 額定電壓 | 0-380VAC/VDC | 
| 絕緣電阻 | ≥1000MΩ/500VDC | 絕緣電阻 | ≥500MΩ/500VDC | 
| 導線規格 | AWG16#鍍錫鐵氟龍 | 導線規格 | AWG22鍍錫鐵氟龍 | 
| 額定電流 | 每路任意電流可選 | ||
| 電氣噪音 | 10mΩ@6VDC,50mA,5Rpm | ||
| 動態電阻變化 | <0.01Ω | ||
| 機械技術參數 | |||
| 機械性能 | 環境性能 | ||
| 參數 | 數值 | 參數 | 數值 | 
| 工作壽命 | >5000萬轉 | 工作溫度 | -30C°-80C° | 
| 額定轉速 | 300MRP(可定制) | 工作濕度 | 0-85%RH | 
| 接觸材料 | 貴金屬(可定制) | 機械振動 | MIL-SID-810E | 
| 殼體材料 | 鋁合金(陽極氧化處理) | 防護等級 | IP51(可選IP65、IP68) | 
| 轉動扭矩 | 0.1N.M;+0.03N.M/路 | ||
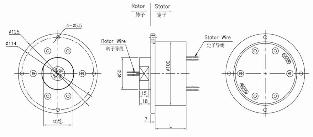
Drawing

Selection
| 常規產品選型表 | |||||||
| FS038系列-轉子法蘭滑環選型表 | |||||||
| 型號 | 10A | 信號或5A | 長度 L(mm) | 型號 | 10A | 信號或5A | 長度 L(mm) | 
| JSR-FS038-2S | 0 | 2 | 32.2 | JSR-FS038-36S | 0 | 36 | 168.2 | 
| JSR-FS038-2P10 | 2 | 0 | 32.2 | JSR-FS038-6P10-30S | 6 | 30 | 168.2 | 
| JSR-FS038-3S | 0 | 3 | 36.2 | JSR-FS038-12P10-24S | 12 | 24 | 168.2 | 
| JSR-FS038-3P10 | 3 | 0 | 36.2 | JSR-FS038-36P10 | 36 | 0 | 168.2 | 
| JSR-FS038-6S | 0 | 6 | 48.2 | JSR-FS038-42S | 0 | 42 | 192.2 | 
| JSR-FS038-2P10-4S | 2 | 4 | 48.2 | JSR-FS038-6P10-36S | 6 | 36 | 192.2 | 
| JSR-FS038-4P10-2S | 4 | 2 | 48.2 | JSR-FS038-12P10-30S | 12 | 30 | 192.2 | 
| JSR-FS038-6P10 | 6 | 0 | 48.2 | JSR-FS038-48S | 0 | 48 | 216.2 | 
| JSR-FS038-12S | 0 | 12 | 72.2 | JSR-FS038-6P10-42S | 6 | 42 | 216.2 | 
| JSR-FS038-2P10-S10 | 2 | 10 | 72.2 | JSR-FS038-9P10-39S | 9 | 39 | 216.2 | 
| JSR-FS038-3P10-9S | 3 | 9 | 72.2 | JSR-FS038-12P10-36S | 12 | 36 | 216.2 | 
| JSR-FS038-6P10-6S | 6 | 6 | 72.2 | JSR-FS038-18P10-30S | 18 | 30 | 216.2 | 
| JSR-FS038-8P10-4S | 8 | 4 | 72.2 | JSR-FS038-24P10-24S | 24 | 24 | 216.2 | 
| JSR-FS038-10P10-2S | 10 | 2 | 72.2 | JSR-FS038-60S | 0 | 60 | 288.2 | 
| JSR-FS038-12P10 | 12 | 0 | 72.2 | JSR-FS038-6P10-54S | 6 | 54 | 288.2 | 
| JSR-FS038-18S | 0 | 18 | 96.2 | JSR-FS038-9P10-51S | 9 | 51 | 288.2 | 
| JSR-FS038-2P10-16S | 2 | 16 | 96.2 | JSR-FS038-12P10-48S | 12 | 48 | 288.2 | 
| JSR-FS038-4P10-14S | 4 | 14 | 96.2 | JSR-FS038-72S | 0 | 72 | 360.2 | 
| JSR-FS038-6P10-12S | 6 | 12 | 96.2 | JSR-FS038-6P10-66S | 6 | 66 | 360.2 | 
| JSR-FS038-8P10-S10 | 8 | 10 | 96.2 | JSR-FS038-12P10-60S | 12 | 60 | 360.2 | 
| JSR-FS038-10P10-8S | 10 | 8 | 96.2 | JSR-FS038-24P10-48S | 24 | 48 | 360.2 | 
| JSR-FS038-12P10-6S | 12 | 6 | 96.2 | JSR-FS038-36P10-36S | 36 | 36 | 360.2 | 
| JSR-FS038-14P10-4S | 14 | 4 | 96.2 | JSR-FS038-84S | 0 | 84 | 432.2 | 
| JSR-FS038-16P10-2S | 16 | 2 | 96.2 | JSR-FS038-12P10-72S | 12 | 72 | 432.2 | 
| JSR-FS038-24S | 0 | 24 | 120.2 | JSR-FS038-24P10-60S | 24 | 60 | 432.2 | 
| JSR-FS038-4P10-20S | 4 | 20 | 120.2 | JSR-FS038-36P10-48S | 36 | 48 | 432.2 | 
| JSR-FS038-6P10-18S | 6 | 18 | 120.2 | JSR-FS038-96S | 0 | 96 | 504.2 | 
| JSR-FS038-12P10-12S | 12 | 12 | 120.2 | JSR-FS038-12P10-84S | 12 | 84 | 504.2 | 
| JSR-FS038-18P10-6S | 18 | 6 | 120.2 | JSR-FS038-24P10-72S | 24 | 72 | 504.2 | 
| JSR-FS038-24P10 | 24 | 0 | 120.2 | JSR-FS038-36P10-60S | 36 | 60 | 504.2 | 
| JSR-FS038-30S | 0 | 30 | 144.2 | JSR-FS038-42P10-54S | 42 | 54 | 504.2 | 
| JSR-FS038-6P10-24S | 6 | 24 | 144.2 | JSR-FS038-108S | 0 | 108 | 576.2 | 
| JSR-FS038-12P10-18S | 12 | 18 | 144.2 | JSR-FS038-12P10-96S | 12 | 96 | 576.2 | 
| JSR-FS038-18P10-12S | 18 | 12 | 144.2 | JSR-FS038-24P10-84S | 24 | 84 | 576.2 | 
| JSR-FS038-24P10-6S | 24 | 6 | 144.2 | JSR-FS038-36P10-72S | 36 | 72 | 576.2 | 
| JSR-FS038-30P10 | 30 | 0 | 144.2 | JSR-FS038-48P10-60S | 48 | 60 | 576.2 | 
| 注:N個5A 電流環并起來可作為1路N*5A電流環使用;比如: 2環5A 并起來做作為 1路10A 使用。以上型號為此規格的部分型號,如需其他規格請聯系技術:13714251726 易先生 | |||||||
Color code table
| 環道 | 顏色 | 環道 | 顏色 | 
| 1 | 黑 | 7 | 紫 | 
| 2 | 紅 | 8 | 灰 | 
| 3 | 黃 | 9 | 橙 | 
| 4 | 綠 | 10 | 棕 | 
| 5 | 藍 | 11 | 透明 | 
| 6 | 白 | 12 | 淺綠 | 
| (注:12個顏色為一組,分別序號1...12, 下一組重復前12個顏色, 每組用號碼管作為組序號標識。) | |||
Installation

Optional
注:以下特別要求均可定制,交期會增加3~15天不等,費用增加5%~50%不等,本公司大部分基礎配件都有標準化,模塊化,非標定制也可大大減少成本和交期。
① 可定制轉子和定子的出線方式及出線長度。
② 由于結構的限制,可按照指定長度或者高度或者外徑定制。
③ 最大可支持200路功率電流或者信號。
④ 可選航空插頭,端子和熱縮管。
⑤ 安川,松下,西門子等伺服系統信號,功率線以及編碼器線混合滑環。
⑥ 可混合高速率數據傳輸(包括以太網,USB, Profibus,ProfiNET, EtherCAT,CANOPEN, CANBUS,CC-LINK, RS232,RS485等各類工業總線)。
⑦ 溫控信號,熱電偶信號混合。
⑧ 防震,高溫等特殊環境定制。
⑨ 可與氣壓、液壓旋轉接頭混合一體氣電液滑環。
⑩ 可定制頻率高低,接頭類型。
? 可定制高頻功率。
? 可根據要求定制通道數。
? 電流最大可到5000安培(A)。
? 高端級別。
? 防水,水下模式可選,IP65,IP68 可選。
? 不銹鋼殼體要求。
Range
鉆井平臺是主要用于鉆探井的海上結構物。平臺上裝有鉆井、動力、通訊、導航等設備,以及安全救生和人員生活設施,是海上油氣勘探開發不可缺少的手段。鉆井平臺的正常運轉離不開導電滑環的功勞,在鉆井品臺上很多旋轉的部分需要用到導電滑環,導電滑環能順利的在旋轉的過程中不間斷的傳輸鉆井平臺各部位所需要的電流和各種信號,從而保證鉆井平臺各部位能正常的運
吹瓶機就是指吹瓶子的機器,最淺顯的解釋就是能將塑料顆粒(軟化成液體)或做好的瓶胚通過一定的工藝手段吹成瓶子的機器。吹瓶機方便快捷,成型量大,出現之后取代了大部分人工吹瓶,被大部分飲料企業所采用。比較常見的機種包括,使用PP和PE的一次成型的中空擠吹機,使用PET,PC或者PP兩次成型的注拉吹吹瓶機,以及新發展起來的有多層中空擠吹和拉伸吹塑。
灌裝機主要是包裝機中的一小類產品,從對物料的包裝角度可分為液體灌裝機,膏體灌裝機,粉劑灌裝機,顆粒灌裝機;從生產的自動化程度來講分為半自動灌裝機和全自動灌裝生產線,加上近幾年,科學技術水平的提高,國內灌裝機行業也得到了較快的發展,技術水平、設備性能、質量等方面都有了很大程度的提高,在支持企業高效、安全生產上發揮了重要的作用。
華為、富士康等500強企業客戶長期信賴
product
news
 
 
                    
