JSR-DSM002系列微型PCB盤式滑環
 
             
       
             
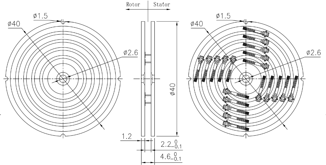
            深圳嘉馳機電所研發的DSM002系列微型導電滑環是一款內徑2毫米,厚度最薄可達3毫米的微型超薄PCB盤式導電滑環,此系列的滑環可以同時傳輸多路電流及控制信號,產品安裝簡單,維護方便,深受廣大客戶的喜愛。與嘉馳機電常規滑環相比,其主要的特征就是厚度非常薄,外徑大。觸點采用貴金屬,具有高穩定性、低扭矩、低損耗免維護、低電氣噪音、超長壽命等特點,廣泛應用于醫療CT、旋轉展臺,LDE旋轉廣告牌等各種安裝空間狹小的場合!
Model

Selection
| 產品等級代號 | 最高轉速 | 工作壽命 | 接觸材料 | 
| TY(通用級) | 100RPM | 1000萬轉 | 貴金屬 | 
| GY(工業級) | 250RPM | 2000萬轉 | 鍍金-鍍金 | 
| JG(軍工級) | 400RPM | 3000億轉 | 金合金 | 
parameter
| 電氣技術參數 | |||
| 電氣參數 | 信號參數 | ||
| 參數 | 數值 | 參數 | 數值 | 
| 額定電壓 | 0-380VAC/VDC | 額定電壓 | 0-380VAC/VDC | 
| 絕緣電阻 | ≥1000MΩ/500VDC | 絕緣電阻 | ≥500MΩ/500VDC | 
| 導線規格 | AWG16#鍍錫鐵氟龍 | 導線規格 | AWG22鍍錫鐵氟龍 | 
| 額定電流 | 每路任意電流可選 | ||
| 電氣噪音 | 10mΩ@6VDC,50mA,5Rpm | ||
| 動態電阻變化 | <0.01Ω | ||
| 機械技術參數 | |||
| 機械性能 | 環境性能 | ||
| 參數 | 數值 | 參數 | 數值 | 
| 工作壽命 | >1000萬轉 | 工作溫度 | -30C°-80C° | 
| 額定轉速 | 100MRP(可定制) | 工作濕度 | 0-85%RH | 
| 接觸材料 | 貴金屬(可定制) | 機械振動 | MIL-SID-810E | 
| 轉動扭矩 | 0.1N.M;+0.03N.M/路 | ||
Drawing

Selection
| 常規產品選型表 | |||||
| DSM002系列-盤式導電滑環選型表 | |||||
| 型號 | 信號或2A | 5A | 10A | 總通路 | 外徑(mm) | 
| JSR-DSM002-2S | 2 | 0 | 0 | 2 | 咨詢客服 | 
| JSR-DSM002-2P05 | 0 | 2 | 0 | 2 | 咨詢客服 | 
| JSR-DSM002-2P05-2S | 2 | 2 | 0 | 4 | 咨詢客服 | 
| JSR-DSM002-4P05 | 0 | 4 | 0 | 4 | 咨詢客服 | 
| JSR-DSM002-6S | 6 | 0 | 0 | 6 | 咨詢客服 | 
| JSR-DSM002-6P10 | 0 | 6 | 0 | 6 | 咨詢客服 | 
| JSR-DSM002-6P10 | 0 | 0 | 6 | 6 | 咨詢客服 | 
| JSR-DSM002-2P05-4S | 4 | 2 | 0 | 6 | 咨詢客服 | 
| JSR-DSM002-12S | 12 | 0 | 0 | 12 | 咨詢客服 | 
| JSR-DSM002-12P05 | 0 | 12 | 0 | 12 | 咨詢客服 | 
| JSR-DSM002-12P10 | 0 | 0 | 12 | 12 | 咨詢客服 | 
| 注:N個5A 電流環并起來可作為1路N*5A電流環使用;比如: 2環5A 并起來做作為 1路10A 使用。以上型號為此規格的部分型號,如需其他規格請聯系技術:13714251726 易先生 | |||||
Color code table
| 環道 | 顏色 | 環道 | 顏色 | 
| 1 | 黑 | 7 | 紫 | 
| 2 | 紅 | 8 | 灰 | 
| 3 | 黃 | 9 | 橙 | 
| 4 | 綠 | 10 | 棕 | 
| 5 | 藍 | 11 | 透明 | 
| 6 | 白 | 12 | 淺綠 | 
| (注:12個顏色為一組,分別序號1...12, 下一組重復前12個顏色, 每組用號碼管作為組序號標識。) | |||
Installation

Optional
注:以下特別要求均可定制,交期會增加3~15天不等,費用增加5%~50%不等,本公司大部分基礎配件都有標準化,模塊化,非標定制也可大大減少成本和交期。
① 可定制不同孔徑
② 可定制不同環道
③ 可加外殼保護
④ 可選航空插頭,端子和熱縮管。
⑤ 溫控信號,熱電偶信號混合。
⑥ 可根據要求定制通道數。
⑦厚度定制最薄可達3毫米
⑧ 不銹鋼殼體要求。
Range
現代化的都市離不開LED旋轉燈箱的承托,走在現代化大都市的大街上隨處都能見到各式各樣的LED旋轉燈箱,旋轉燈箱通過360度不間斷的旋轉向過往的行人展示他燈箱上面的各種商業廣告。很多人都會好奇這種燈箱為什么可以不停的旋轉,內部的線路為什么不會打結扭斷,其實這一切都是導電滑環的功勞,導電滑環就是為大家解決360度旋轉產生的繞線問題的。導電滑環的種類有很多,外形主要分為柱式和盤式兩種,LED旋轉燈箱因為安裝的空間有限,所以我們一般都是選擇盤式滑環作為他旋轉傳輸的節點。深圳嘉馳機電研發生產的PCB盤式導電滑環就被眾多燈箱廠商應用在各種LDE旋轉燈箱上面,這種PCB導電滑環安裝簡單,跟換方便,成本低廉已經被廣大的客戶所認同。
旋轉展示臺它通過不停的旋轉向同一位置的人展示上面展品的不同位置,方便人們能360度無死角的觀看展臺上面展品的各個部位。旋轉展臺被廣泛應用在各種物品的展示,以及各種物品的視頻拍中,旋轉展示臺需要不間斷的旋轉,所以導電滑環稱為了旋轉展示臺中不可缺少的小部件,但是因為旋轉展示臺的內部安裝空間有限,普通的柱式導電滑環無法滿足其安裝尺寸,所以PCB盤式導電滑環成為其不二的選擇。PCB盤式導電滑環的安裝高度最小可以做到5毫米,被廣泛的應用在各種受安裝空間限制的設備上面,深受各類設備商家的青睞。
華為、富士康等500強企業客戶長期信賴
product
news
 
 
                    